Product Summary
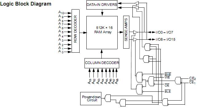
The CY62157DV30LL-70BVI is a high-performance CMOS static RAM organized as 512K words by 16 bits. The CY62157DV30LL-70BVI features advanced circuit design to provide ultra-low active current. The CY62157DV30LL-70BVI can also be put intostandby mode when deselected (CE1, HIGH or CE2 LOW or both BHE and BLE are HIGH) .
Parametrics
CY62157DV30LL-70BVI absolute maximum ratings: (1) Storage Temperature: -65 to +150°C; (2) Ambient Temperature with Power Applied: -55 to +125°C; (3) Supply Voltage to Ground Potential: -0.3V to +Vcc (max) +0.3V; (4) DC Voltage Applied to Outputs in High-Z State: -0.3V to Vcc (max) +0.3V; (5) DC Input Voltage: -0.3 to Vcc (max) +0.3V.
Features
CY62157DV30LL-70BVI features: (1) Very high speed: 45 ns, 55 ns and 70ns; (2) Wide voltage range: 2.20- 3.60V; (3) Ultra-low active power; (4) Easy memory expansion with CE, CE , and OE features; (5) Automatic power-down when deselected; (6) CMOS for optimum speed/power; (7) Packages offered: 48-ball BGA, 48-pin TSOPI, and 44-pin TSOPII.
Diagrams

(Hong Kong)






