Product Summary
The HD6433712E08H CPU has sixteen 8-bit general registers, which can also be paired as eight 16-bit registers. Concise, optimized instruction set of the HD6433712E08H is designed for high-speed operation.
Parametrics
HD6433712E08H absolute maximum ratings: (1) Supply voltage Vcc: =0.3 to +7V; (2) Programming voltage Vpp: -0.3 to +14V; (3) Analog supply voltage AVcc: -0.3 to +7V; (4) Analog input voltage AVin: -0.3 to AVcc +0.3V; (5) Pin voltage (standard pins) VT: -0.3 to Vcc +0.3V; (6) Pin voltage (high-voltage pins) VT: Vcc -45 to Vcc +0.3V ; (7)Operating temperature Top: -20 to +75°C; (8) Storage temperature Tstg: -55 to +125°C.
Features
HD6433712E08H features: (1) Maximum of 24 segment pins and 16 digit pins (20 segment pins, eight digit pins, and eightswitched segment/digit pins) ; (2) Brightness can be adjusted in eight steps (dimmer function) ; (3) Automatic shifting of displayed digit; (4) Digit pins and segment pins can be switched over to use as general-purpose high-voltage pins; (5) Optional key scan interval; (6) Interrupt generated when key scan interval starts.
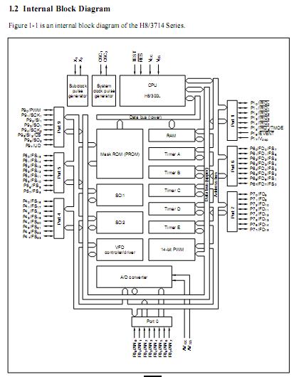
Diagrams

(Hong Kong)






