Product Summary
The CXA1332M-T6 is a dolby B/C type noise reduction system. The CXA1332M-T6 is bipolar IC providing two separate Dolby B/C type noise reduction processor. It is composed of five device having three Dolby levels and two types of package for various applications.
Parametrics
CXA1332M-T6 absolute maximum ratings: (1)Supply voltage, Vcc: 17V; (2)Operating temperature, Topr: -40 to 85℃; (3)Storage temperature, Tstg: -65 to 150℃; (4)Allowable power dissipation, PD: 1200mW.
Features
CXA1332M-T6 features: (1)Minimum number of external components; (2)Inductorless spectral skewing circuit; (3)Small package; (4)Low current consumption 12.2mA; (5)Dual channel processors in one chip
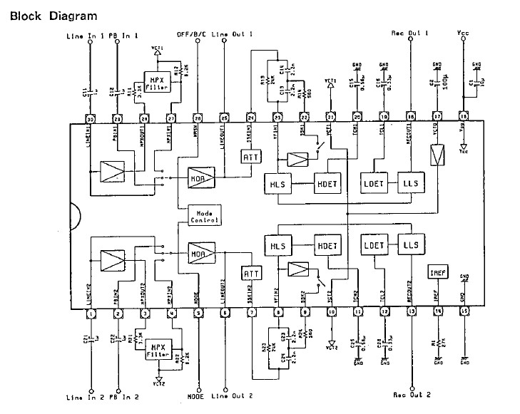
Diagrams

![]() |
![]() CXA10 |
![]() Other |
![]() |
![]() Data Sheet |
![]() Negotiable |
|
||||||||||||
![]() |
![]() CXA10-48D05 |
![]() Emerson / Astec Power |
![]() DC/DC Converters 10W 5V 1A |
![]() Data Sheet |
![]() Negotiable |
|
||||||||||||
![]() |
![]() CXA10-48D05J |
![]() Emerson / Astec Power |
![]() DC/DC Converters 10W 5V 1A |
![]() Data Sheet |
![]()
|
|
||||||||||||
![]() |
![]() CXA10-48D12 |
![]() Emerson / Astec Power |
![]() DC/DC Converters 10W 12V 0.41A |
![]() Data Sheet |
![]() Negotiable |
|
||||||||||||
![]() |
![]() CXA10-48D12J |
![]() Emerson / Astec Power |
![]() DC/DC Converters 10W 12V 0.41A |
![]() Data Sheet |
![]()
|
|
||||||||||||
![]() |
![]() CXA10-48D12-SJ |
![]() Emerson / Astec Power |
![]() DC/DC Converters 10W 36-75Vin Dual -/+12V -/+0.4A |
![]() Data Sheet |
![]()
|
|
||||||||||||
(Hong Kong)









