Product Summary
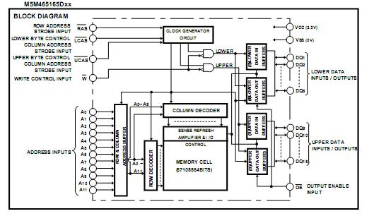
M5M465165DJ-6I is a 4194304-word by 16-bit dynamic RAM. The M5M465165DJ-6I is fabricated with the high performance CMOS process, and is suitable for large-capacity memory systems with high speed and low power dissipation.
Parametrics
M5M465165DJ-6I absolute maximum ratings: (1) Supply voltage Vcc: -0.5 to +4.6V (With respect to Vss) ; (2) Input Voltage VI: -0.5 to +4.6V (With respect to Vss); (3) Output voltage,V0: -0.5 to +4.6V (With respect to Vss) ; (4) Output current I0: 50mA; (5) Power dissipation Pd: 1000mW (Ta=25°C) ; (6) Operating temperature Topr: 0 to 70°C; (70 Storage temperature: -65 to 150°C.
Features
M5M465165DJ-6I features: (1) RAS access time (max.ns) : 60ns; (2) CAS access time (max.ns) : 15ns; (3) Address access time (max.ns) : 30ns; (4) Cycle time min.ns: 104ns; (5) Power dissipation(typ.mW) : 390mW.
Diagrams

(Hong Kong)






