Product Summary
The MT28F160A3FZ-11 BET is a nonvolatile, electrically block-erasable (flash), programmable, read-only memory containing 16,777,216 bits organized as 1,048,576 words(16 bits). The MT28F160A3FZ-11 BET is manufactured on 0.22μm process technology in a 48-ball FBGA package. The device has an I/O supply of 2.7V (MIN). Programming in production is accomplished by using high voltage which can be supplied on a separate line.
Parametrics
MT28F160A3FZ-11 BET absolute maximum ratings: (1)Supply Voltage Range, VCC: -0.6V to +4.0V; (2)Supply Voltage Range, VPP: -0.6V to +6.0V; (3)Input Voltage Range: -0.6V to +4.0V; (4)Output Voltage Range: -0.6V to +4.0V; (5)Storage Temperature Range, TSTG: -65℃ to +150℃.
Features
MT28F160A3FZ-11 BET features: (1)Thirty-nine erase blocks: Two 4K-word boot blocks (protected); Six 4K-word parameter blocks; Thirty-one 32K-word main memory blocks; (2)VCC, VCCQ and VPP voltages: 2.7V–3.3V VCC and VPP; 2.7V–3.3V VCCQ; 5V VPP fast programming voltage; (3)Address access times: 90ns, 110ns at 2.7V–3.3V; (4)Low power consumption: Standby and deep power-down mode < 1μA; (5)(typical ICC) Automatic power saving feature (APS mode); (6)Enhanced WRITE/ERASE SUSPEND (1μs typical); (7)Industry-standard command set compatibility; (8)Hardware block protection.
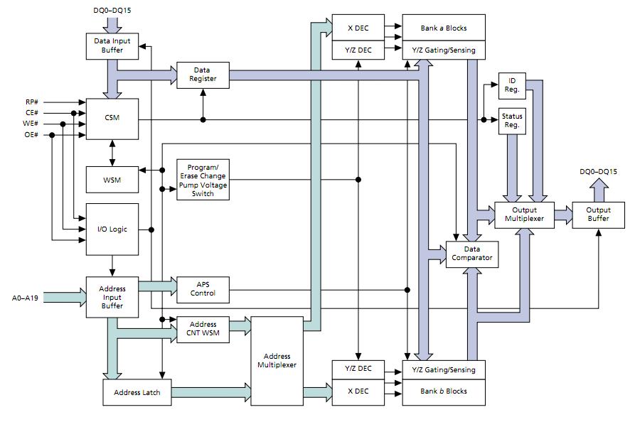
Diagrams

(Hong Kong)






