Product Summary
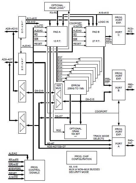
The PSD312-90J is a low cost field programmable microcontroller peripheral. The low cost PSD312-90J integrate high-performance and user-configurable blocks of EPROM, programmable logic, and optional SRAM into one part. The PSD312-90J product also provides a powerful microcontroller interface that eliminates the need for external "glue logic". The part integration, small form factor, low power consumption, and ease of use make it the ideal part for interfacing to virtually any microcontroller.
Parametrics
PSD312-90J absolute maximum ratings: (1)TSTG Storage Temperature CERDIP: – 65 + 150 ℃; (2)PLASTIC: – 65 + 125 ℃; (3)Voltage on any Pin With Respect to GND: – 0.6 + 7 V; (4)Programming Supply Voltage With Respect to GND: – 0.6 + 14 V; (5)VCC Supply Voltage With Respect to GND: – 0.6 + 7 V; (6)ESD Protection >2000 V.
Features
PSD312-90J features: (1)Single Supply Voltage: 5 V±10%; (2)Up to 1 Mbit of EPROM; (3)Up to 16 Kbit SRAM; (4)Input Latches; (5)Programmable I/O ports; (6)Page Logic; (7)Programmable Security.
Diagrams

![]() |
![]() PSD301B-70J |
![]() STMicroelectronics |
![]() SPLD - Simple Programmable Logic Devices PLCC-44 5V 256K 70NS |
![]() Data Sheet |
![]() Negotiable |
|
||||
![]() |
![]() PSD301B-70U |
![]() STMicroelectronics |
![]() SPLD - Simple Programmable Logic Devices 5.0V 256K 70ns |
![]() Data Sheet |
![]() Negotiable |
|
||||
![]() |
![]() PSD302B-70J |
![]() STMicroelectronics |
![]() SPLD - Simple Programmable Logic Devices U 511-ZPSD302B-70J |
![]() Data Sheet |
![]() Negotiable |
|
||||
![]() |
![]() PSD302B-70U |
![]() STMicroelectronics |
![]() SPLD - Simple Programmable Logic Devices 5.0V 512K 70ns |
![]() Data Sheet |
![]() Negotiable |
|
||||
![]() |
![]() PSD303B-70J |
![]() STMicroelectronics |
![]() SPLD - Simple Programmable Logic Devices 5V 1M 70ns |
![]() Data Sheet |
![]() Negotiable |
|
||||
![]() |
![]() PSD303B-70M |
![]() STMicroelectronics |
![]() SPLD - Simple Programmable Logic Devices 5.0V 1M 70ns |
![]() Data Sheet |
![]() Negotiable |
|
||||
(Hong Kong)









