Product Summary
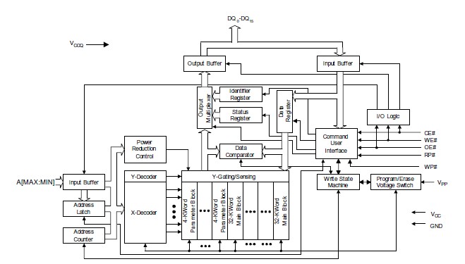
The RC28F160C3BC70 is an advanced boot block flash memory. The RC28F160C3BC70 provides high-performance asynchronous reads in package-compatible densities with a 16 bit data bus. Individually-erasable memory blocks are optimally sized for code and data storage. Eight 4 Kword parameter blocks are located in the boot block at either the top or bottom of the RC28F160C3BC70 memory map. The rest of the memory array is grouped into 32 Kword main blocks. The RC28F160C3BC70 features a 128-bit protection register enabling security techniques and data protection schemes through a combination of factory-programmed and user-programmable OTP data registers. Zero-latency locking/unlocking on any memory block provides instant and complete protection for critical system code and data. Additional block lock-down capability provides hardware protection where software commands alone cannot change the blocks protection status.
Parametrics
RC28F160C3BC70 absolute maximum ratings: (1)Extended Operating Temperature During Read: –40 °C to +85 °C; (2)During Block Erase and Program: –40 °C to +85 °C; (3)Temperature under Bias: –40 °C to +85 °C; (4)Storage Temperature: –65 °C to +125 °C; (5)Voltage On Any Pin (except VCC and VPP)with Respect to GND: –0.5 V to +3.7 V 1; (6)VPP Voltage (for Block Erase and Program)with Respect to GND: –0.5 V to +13.5 V; (7)VCC and VCCQ Supply Voltage with Respect to GND: –0.2 V to +3.6 V; (8)Output Short Circuit Current: 100 mA.
Features
RC28F160C3BC70 features: (1)Flexible SmartVoltage Technology; (2)1.65 V–2.5 V or 2.7 V–3.6 V I/O Option; (3)High Performance; (4)Optimized Architecture for Code Plus Data Storage; (5)Flexible Block Locking; (6)Low Power Consumption; (7)Extended Temperature Operation; (8)128-bit Protection Register; (9)Extended Cycling Capability; (10)Software; (11)Standard Surface Mount Packaging; (12)ETOXVIII (0.13 μm)Flash Technology; (13)ETOXVII (0.18 μm)Flash Technology; (14)ETOX™VI (0.25 μm)Flash Technology.
Diagrams

(Hong Kong)






