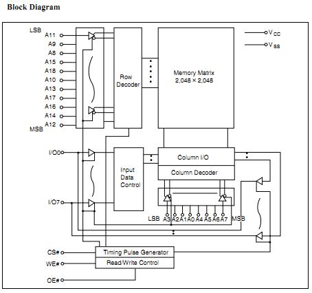
Product Summary
The R1LP0408CSP-7LC is a 4-Mbit static RAM organized 512-kword × 8-bit. The device has realized higher density, higher performance and low power consumption by employing CMOS process technology (6-transistor memory cell). The R1LP0408CSP-7LC offers low power standby power dissipation; therefore, it is suitable for battery backup systems. The R1LP0408CSP-7LC has packaged in 32-pin SOP, 32-pin TSOP II.
Parametrics
R1LP0408CSP-7LC absolute maximum ratings: (1)Power supply voltage relative to VSS, VCC: -0.5 to +7.0V; (2)Terminal voltage on any pin relative to VSS, VT: -0.5 to VCC + 0.3V; (3)Power dissipation, PT: 0.7W; (4)Operating temperature, Topr: -20 to +70℃ ; (5)Storage temperature range, Tstg: -65 to +150℃; (6)Storage temperature range under bias Tbias: -20 to +85℃.
Features
R1LP0408CSP-7LC features: (1)Single 5 V supply: 5 V ± 10%; (2)Access time: 55/70 ns (max); (3)Power dissipation: Active: 10 mW/MHz (typ); Standby: 4μW(typ); (4)Completely static memory: No clock or timing strobe required; (5)Equal access and cycle times; (6)Common data input and output: Three state output; (7)Directly TTL compatible: All inputs and outputs; (8)Battery backup operation; (9)Operating temperature: -20 to +70℃.
Diagrams

| Image | Part No | Mfg | Description |  | Pricing (USD) | Quantity | ||||
|---|---|---|---|---|---|---|---|---|---|---|
|  |  R1LP0408CSP-7LC |  Other |  |  Data Sheet |  Negotiable |  | ||||
|  |  R1LP0408CSP-7LC#B0 |  |  IC SRAM 4MBIT 70NS 32SOP |  Data Sheet |  Negotiable |  | ||||
|  |  R1LP0408CSP-7LC#S0 |  |  IC SRAM 4MBIT 70NS 32SOP |  Data Sheet |  Negotiable |  | ||||
 (Hong Kong)
 (Hong Kong) 
                         
                        
 
                                    




