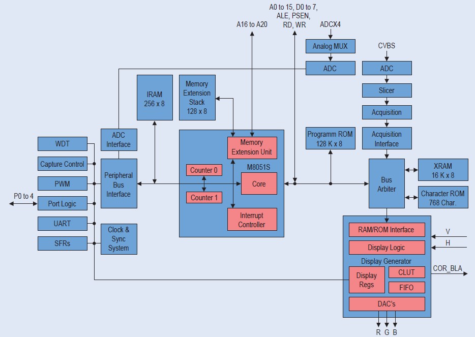
Product Summary
The SDA5550M is a TVText Pro. Applications are (1)lowend OSD-only or simple teletext; (2)midrange TOP/FLOF-teletext; (3)highend with up to 100 pages of teletext and EPG.
Features
SDA5550M features: (1)0.25 mm CMOS technology for high performance and low power dissipatio(2.5/3.3 V); (2)various power save modi (dowto < 5 mA possible); (3)Two 16-Bit timers, one watchdog- and one IR control timer; (4)PWM unit (two channels 14 Bit, six channels 8 Bit); (5)ADC (four channels 8 Bit); (6)UART interface; (7)Lowend OSD-only or simple Teletext; (8)Midrange TOP/FLOF-Teletext; (9)Highend with up to 100 pages of Teletext and EPG.
Diagrams

(Hong Kong)






