Product Summary
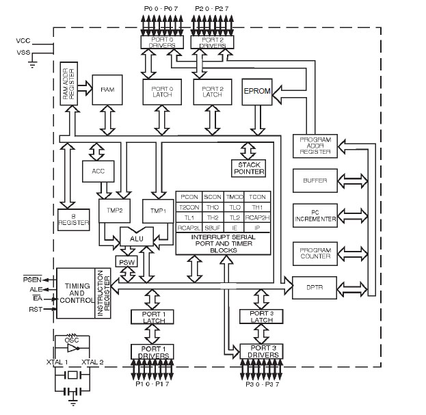
The TSC87C52-16IB is high performance CMOS EPROM version of the 80C52 CMOS single chip 8 bit microcontroller. The TSC87C52-16IB has 2 software-selectable modes of reduced activity for further reduction in power consumption. In the idle mode the TSC87C52-16IB is frozen while the RAM, the timers, the serial port and the interrupt system continue to function. In the power down mode the RAM is saved and all other functions are inoperative.
Parametrics
TSC87C52-16IB absolute maximum ratings: (1)C = commercial : 0 to 70°C; (2)I = industrial: –40°C to 85°C; (3)Storage Temperature: –65°C to + 150°C; (4)Voltage on VCC to VSS: –0.5 V to + 7 V; (5)Voltage on VPP to VSS: –0.5 V to + 13 V; (6)Voltage on Any Pin to VSS: –0.5 V to VCC + 0.5 V; (7)Power Dissipation: 1 W.
Features
TSC87C52-16IB features: (1)Compliant with the Fibre Channel FC-PI Standard; (2)4.25/2.125/1.0625 Gbps Fibre Channel and 1.25 Gbps Ethernet Compatible; (3)Compatible with the SFF Multisource Agreement (MSA)Specification; (4)850 nm VCSEL emitter; (5)TTL Signal Detect Output; (6)Transmitter Disable Input; (7)AC-coupled CML Level Input/Output; (8)Single +3.3 V Power Supply; (9)Class 1 Laser Safety Product; (10)IEC/UL 60950-1 Safety Certified; (11)Designed and verified as RoHS 6 compliant; (12)China RoHS compliant with 30-year EFUP; (13)Digital Diagnostics Support.
Diagrams

(Hong Kong)






