Product Summary
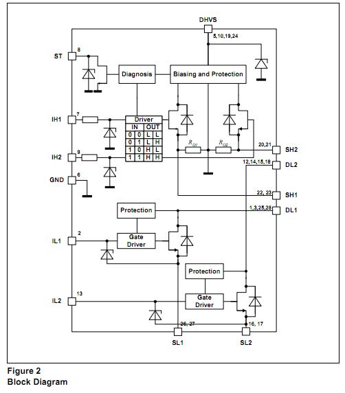
The BTS7741G is a Quad D-MOS switch driver. The BTS7741G is part of the TrilithIC family containing three dies in one package: One double high-side switch and two low-side switches. The drains of these three vertical DMOS chips are mounted on separated lead frames. The sources are connected to individual pins, so the BTS7741G can be used in H-bridge- as well as in any other configuration. Both the double high-side and the two low-side switches of the BTS7741G are manufactured in SMART SIPMOS technology which combines low RDS ON vertical DMOS power stages with CMOS control circuitry. The high-side switch is fully protected and contains the control and diagnosis circuitry. Also the low-side switches are fully protected, the equivalent standard product is the BTS7741G.
Parametrics
BTS7741G absolute maximum ratings: (1)Supply voltage, VS: – 0.3 to 42 V ; (2)Supply voltage for full short circuit protection, VS(SCP): 28 V; (3)HS-drain current, IS:– 7 A; (4)HS-input current, IIH: – 5 to 5 mA ; (5)HS-input voltage, VIH: – 10 to 16 V.
Features
BTS7741G features: (1)Quad D-MOS switch driver; (2)Free configurable as bridge or quad-switch; (3)Optimized for DC motor management applications; (4)Low RDS ON: 110 mΩ high-side switch, 100 mΩ low-side switch (typical values @ 25℃); (5)Maximum peak current: typ. 10 A @ 25℃; (6)Very low quiescent current: typ. 5 μA @ 25℃; (7)Small outline, enhanced power P-DSO-package; (8)Full short-circuit-protection; (9)Operates up to 40 V; (10)Status flag diagnosis; (11)Overtemperature shut down with hysteresis; (12)Internal clamp diodes; (13)Open load detection in Off-mode; (14)Under-voltage detection with hysteresis; (15)PWM frequencies up to 1 kHz.
Diagrams

| Image | Part No | Mfg | Description | ![]() |
Pricing (USD) |
Quantity | ||||||||||||
|---|---|---|---|---|---|---|---|---|---|---|---|---|---|---|---|---|---|---|
![]() |
![]() BTS7741G |
![]() Infineon Technologies |
![]() Power Switch ICs - POE / LAN QUAD D-MOS SW DRIVER TRILITH |
![]() Data Sheet |
![]()
|
|
||||||||||||
| Image | Part No | Mfg | Description | ![]() |
Pricing (USD) |
Quantity | ||||||||||||
![]() |
![]() BTS707 |
![]() Infineon Technologies |
![]() Power Switch ICs - POE / LAN PROFET SMART 2 CH Hi Side Pwr SW |
![]() Data Sheet |
![]()
|
|
||||||||||||
![]() |
![]() BTS710L1 |
![]() Other |
![]() |
![]() Data Sheet |
![]() Negotiable |
|
||||||||||||
![]() |
![]() BTS711L1 |
![]() Infineon Technologies |
![]() Power Switch ICs - Power Distribution SMART 4-CH HI-SIDE PWR SWITCH |
![]() Data Sheet |
![]()
|
|
||||||||||||
![]() |
![]() BTS712N1 |
![]() Infineon Technologies |
![]() Power Switch ICs - POE / LAN SMART 4-CH HI-SIDE PWR SWITCH |
![]() Data Sheet |
![]()
|
|
||||||||||||
![]() |
![]() BTS716G |
![]() Infineon Technologies |
![]() Power Switch ICs - POE / LAN Smart High Side PROFET Quad |
![]() Data Sheet |
![]()
|
|
||||||||||||
![]() |
![]() BTS716GB |
![]() Infineon Technologies |
![]() Power Switch ICs - POE / LAN SMART HI SIDE PWR SWITCH INDUSTRY APP |
![]() Data Sheet |
![]()
|
|
||||||||||||
(Hong Kong)











