Product Summary
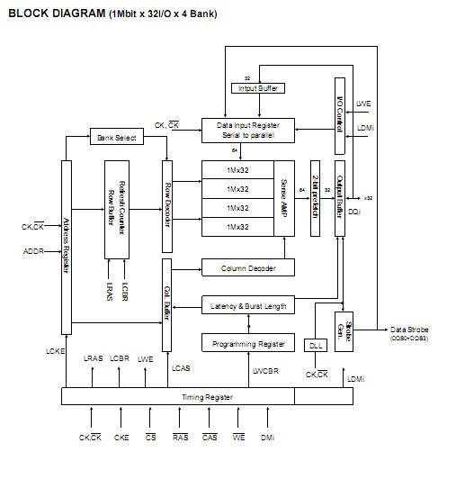
The K4D263238G-GC33 is 134,217,728 bits of hyper synchronous data rate Dynamic RAM organized as 4 x1,048,576 words by 32 bits, fabricated with SAMSUNG high performance CMOS technology. Range of operating frequencies, programmable burst length and programmable latencies allow the K4D263238G-GC33 to be useful for a variety of high performance memory system applications.
Parametrics
K4D263238G-GC33 absolute maximum ratings: (1) Voltage on any pin relative to Vss, VIN, VOUT: -0.5 to 3.6V; (2) Voltage on VDD supply relative to Vss, VDD: -1.0 to 3.6V; (3) Voltage on VDD supply relative to Vss, VDDQ: -0.5 to 3.6V; (4) Storage temperature TSTG: -55 to +150°C; (5) D 3.3W Power dissipation PD: 3.3W; (6) Short circuit current IOS: 50mA.
Features
K4D263238G-GC33 features: (1) 2.5V ±5% power supply for device operation; (2) 2.5V ±5% power supply for I/O interface; (3) SSTL_2 compatible inputs/outputs; (4) MRS cycle with address key programs; (5) All inputs except data & DM are sampled at the positive going edge of the system clock; (6) No Wrtie-Interrupted by Read Function; (7) DM for write masking only; (8) 32ms refresh period (4K cycle); (9) Maximum clock frequency up to 350MHz; (10) Maximum data rate up to 700Mbps/pin.
Diagrams

(Hong Kong)






