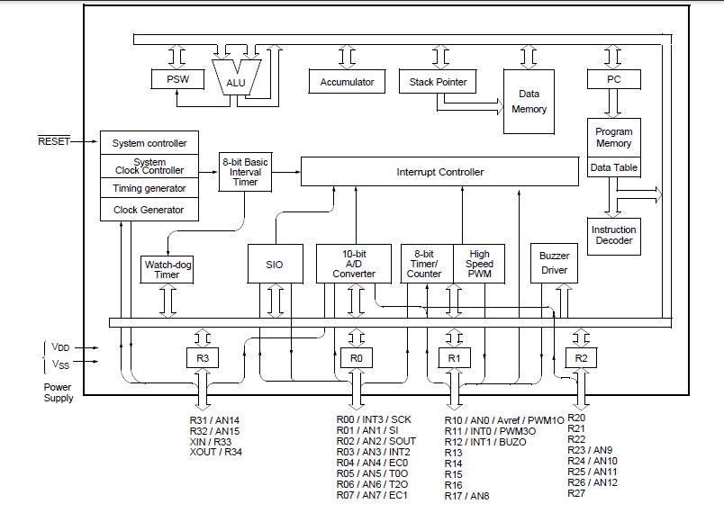
Product Summary
The MC80F0504MB is an advanced CMOS 8-bit microcontroller with 8K bytes of FLASH(MTP). This is a powerful microcontroller which provides a highly flexible and cost effective solution to many embedded control applications. The MC80F0504MB supports power saving modes to reduce power consumption.
Parametrics
MC80F0504MB absolute maximum ratings: (1)Supply voltage: -0.3 V to +6.0 V; (2)Storage Temperature: -65℃ to +125℃; (3)Voltage on any pin with respect to Ground (VSS): -0.3 V to VDD + 0.3V; (4)Maximum current out of VSS pin: 180 mA; (5)Maximum current into VDD pin: 80 mA; (6)Maximum current sunk by (IOL per I/O Pin): 20 mA; (7)Maximum output current sourced by (IOH per I/O Pin): 10 mA.
Features
MC80F0504MB features: (1)8K bytes of FLASH; (2)256 bytes of RAM; (3)8/16-bit timer/counter; (4)watchdog timer; (5)10-bit A/D converter; (6)8-bit Serial Input/ Output; (7)buzzer driving port; (8)10-bit PWM output and on-chip oscillator and clock circuitry; (9)ONP, noise filter, PFD for improving noise immunity.
Diagrams

(Hong Kong)






