Product Summary
The PIC18C442-I/P is a High-Performance Microcontroller.
Parametrics
PIC18C442-I/P absolute maximum ratings: (1)Ambient temperature under bias: -55℃ to +125℃; (2)Storage temperature: -65℃ to +150℃; (3)Voltage on any pin with respect to VSS (except VDD, MCLR, and RA4): -0.3V to (VDD + 0.3V); (4)Voltage on VDD with respect to VSS: -0.3V to +7.5V; (5)Voltage on MCLR with respect to VSS: 0V to +13.25V; (6)Voltage on RA4 with respect to Vss: 0V to +8.5V; (7)Total power dissipation (Note 1): 1.0W; (8)Maximum current out of VSS pin: 300 mA; (9)Maximum current into VDD pin: 250 mA; (10)Input clamp current, IIK (VI < 0 or VI > VDD): ±20 mA; (11)Output clamp current, IOK (VO < 0 or VO > VDD): ±20 mA; (12)Maximum output current sunk by any I/O pin: 25 mA; (13)Maximum output current sourced by any I/O pin: 25 mA; (14)Maximum current sunk by PORTA, PORTB, and PORTE(combined): 200 mA; (15)Maximum current sourced by PORTA, PORTB, and PORTE(combined): 200 mA; (16)Maximum current sunk by PORTC and PORTD(combined): 200 mA; (17)Maximum current sourced by PORTC and PORTD: 200 mA.
Features
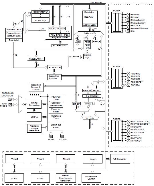
PIC18C442-I/P features: (1)C-compiler optimized architecture/instruction set - Source code compatible with the PIC16CXX instruction set; (2)Linear program memory addressing to 2M bytes; (3)Linear data memory addressing to 4K bytes; (4)Up to 10 MIPs operation: DC - 40 MHz osc./clock input; 4 MHz - 10 MHz osc./clock input with PLL active; (5)16-bit wide instructions, 8-bit wide data path; (6)Priority levels for interrupts; (7)8 x 8 Single Cycle Hardware Multiplier.
Diagrams

| Image | Part No | Mfg | Description | ![]() |
Pricing (USD) |
Quantity | ||||||||||||
|---|---|---|---|---|---|---|---|---|---|---|---|---|---|---|---|---|---|---|
![]() |
![]() PIC18C442-I/P |
![]() Microchip Technology |
![]() 8-bit Microcontrollers (MCU) 16KB 512 RAM 34I/O |
![]() Data Sheet |
![]()
|
|
||||||||||||
![]() |
![]() PIC18C442-I/PT |
![]() Microchip Technology |
![]() 8-bit Microcontrollers (MCU) 16KB 512 RAM 34I/O |
![]() Data Sheet |
![]()
|
|
||||||||||||
(Hong Kong)









