Product Summary
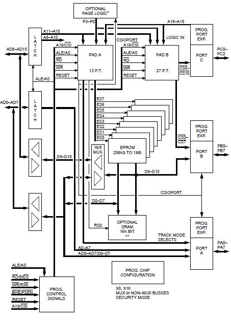
The PSD312R-A-20J is a Low Cost Field Programmable Microcontroller. The PSD312R-A-20J integrates high-performance and user-configurable blocks of EPROM, programmable logic, and optional SRAM into one part. The PSD312R-A-20J also provides a powerful microcontroller interface that eliminates the need for external “glue logic”. The part’s integration, small form factor, low power consumption, and ease of use make it the ideal part for interfacing to virtually any microcontroller.
Parametrics
PSD312R-A-20J absolute maximum ratings: (1)TSTG Storage Temperature, CERDIP: -65 to +150℃; PLASTIC: -65 to +125℃; (2)Voltage on any Pin With Respect to GND: -0.6 to +7 V; (3)VPP, Programming Supply Voltage With Respect to GND: -0.6 to +14 V; (4)VCC Supply Voltage With Respect to GND: -0.6 to +7 V; (5)ESD Protection: >2000 V.
Features
PSD312R-A-20J features: (1)Single-chip programmable peripheral for microcontroller-based applications; (2)256K to 1 Mbit of UV EPROM with the following features: Configurable as 32, 64, or 128 K x 8; or as 16, 32, or 64 K x 16; Divided into eight equally-sized mappable blocks for optimized address mapping; As fast as 70 ns access time, which includes address decoding; (3)Optional 16 Kbit SRAM is configurable as 2K x 8 or 1K x 16. The access time can be as quick as 70 ns, including address decoding.; (4)19 I/O pins that can be individually configured for: Microcontroller I/O port expansion; Programmable Address decoder (PAD) I/O; Latched address output; Open-drain or CMOS output; (5)Two Programmable Arrays (PAD A and PAD B) replace your PLD or decoder, and have the following features: Up to 18 Inputs and 24 outputs; 40 Product terms (13 for PAD A and 27 for PAD B); Ability to decode up to 1 MB of address without paging.
Diagrams

(Hong Kong)






