Product Summary
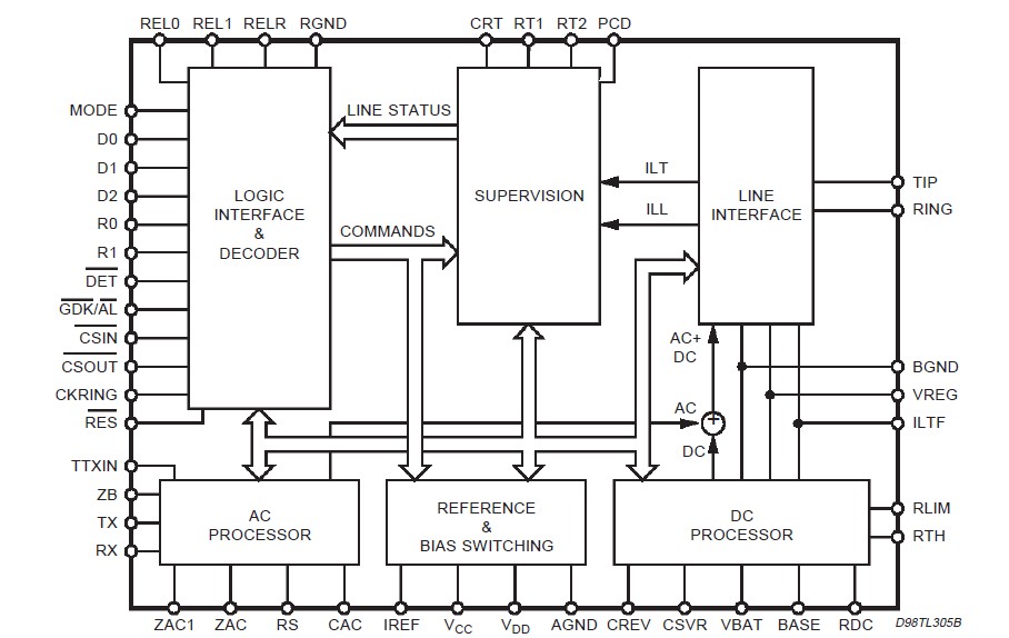
The STLC3080 is a SLIC device suitable for a wide range of applications: public (CO), transmission (DLC) and private (PABX). The STLC3080 provides the standard battery feeding with full programmability of the DC characteristic. In particular two external resistors allow to set the limiting current value (up to 50mA) and the value of the resistive feeding when not in constant current region.
Parametrics
STLC3080 absolute maximum ratings: (1)VBAT Battery voltage: -80 + VCC to +0.4, -80 + VREL to + 0.4 V; (2)VCC Positive supply voltage: -0.4 to +7 V; (3)VDD Control Interface Supply Voltage: -0.4 to +7 V; (4)IREL Current into relay drivers: 80 mA; (5)A/R/BGND AGND respect BGND respect RGND: -2 to +2 V; (6)TopT Operating temperature range: -40 to +85 °C; (7)VCC Positive supply voltage: 4.75 to 5.25 V; (8)VDD Control Interface Supply Voltage: 3 to 5.25 V; (9)A/R/BGND AGND respect BGND respect RGND: -0.3 to +0.3 V; (10)PD (70)Max. power dissipation@ Tamb = 70°C: 1.1 W; (11)PD(85)Max. power dissipation@ Tamb = 85°C: 0.9 W.
Features
STLC3080 features: (1)monochip slic suitable for public applications; (2)implementes all key features of the borsht function; (3)dual control mode configuration: slave mode or automatic activation mode; (4)soft battery reversal with programmable transition time; (5)on hook transmission; (6)loop start/ground start feature with progr. threshold; (7)low power dissipation in all operating modes; (8)automatic dual battery operation; (9)integrated ring trip detection with automatic and syncronised ring disconnection; (10)metering pulse injection; (11)surface mount package; (12)three relay drivers for ring and testing.
Diagrams

| Image | Part No | Mfg | Description | ![]() |
Pricing (USD) |
Quantity | ||||
|---|---|---|---|---|---|---|---|---|---|---|
![]() |
![]() STLC3080 |
![]() STMicroelectronics |
![]() Telecom Line Management ICs Subscriber Ln Intrfc |
![]() Data Sheet |
![]() Negotiable |
|
||||
![]() |
![]() STLC3080EVAL |
![]() STMicroelectronics |
![]() Networking Development Tools Eval Board STLC3080 |
![]() Data Sheet |
![]() Negotiable |
|
||||
![]() |
![]() STLC3080R-EVAL |
![]() STMicroelectronics |
![]() Networking Development Tools Eval Board STLC30R80 |
![]() Data Sheet |
![]() Negotiable |
|
||||
![]() |
![]() STLC3080TR |
![]() STMicroelectronics |
![]() Telecom Line Management ICs SUBSCRIBER CIRCUIT |
![]() Data Sheet |
![]() Negotiable |
|
||||
![]() |
![]() STLC3080S |
![]() STMicroelectronics |
![]() RF Wireless Misc Subscriber Ln Intrfc |
![]() Data Sheet |
![]() Negotiable |
|
||||
(Hong Kong)










