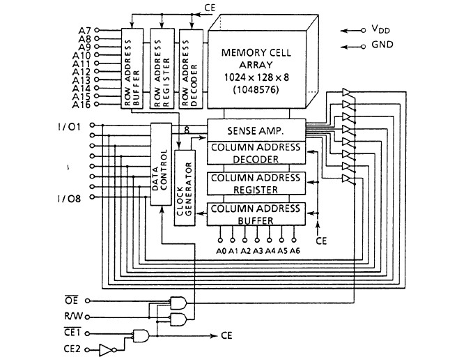
Product Summary
The TC551001BFTL-10V is a 1,048,576 bits static random access memory organized as 131,072 words by 8 bits using CMOS technology, and operated from a single 5V power supply. Advanced circuit techniques provide both high speed and low power features with an operating current of 5mA/MHz (typ.) and a minimum cycle time of 70ns. When CE1 is a logical high, or CE2 is low, the device is placed in a low power standby mode in which the standby current is 2 m A typically. The TC551001BFTL-10V has three control inputs. Chip Enable inputs (CE1, CE2) allow for device selection and data retention control, while an Output Enable input (OE) provides fast memory access. The TC551001BFTL-10V is suitable for use in microprocessor application systems where high speed, low power, and battery backup are required.
Parametrics
TC551001BFTL-10V absolute maximum ratings: (1)VDD Power Supply Voltage: -0.3 ~ 7.0 V; (2)VIN Input Voltage: -0.3 ~ 7.0 V; (3)VI/O Input and Output Voltage: -0.5 ~ VDD + 0.5 V; (4)PD Power Dissipation: 1.0/0.6 W; (5)TSOLDER Soldering Temperature (10s): 260℃; (6)TSTRG Storage Temperature: -55 ~ 150℃; (7)TOPR Operating Temperature: 0 ~ 70℃
Features
TC551001BFTL-10V features: (1)Low power dissipation:(2)27.5mW/MHz (typ.); (3)Standby current: 4μA (max.)at Ta = 25 ℃; (4)5V single power supply; (5)Power down feature: CE1, CE2; (6)Data retention supply voltage: 2.0 ~ 5.5V; (7)Inputs and outputs directly TTL compatible.
Diagrams

(Hong Kong)






