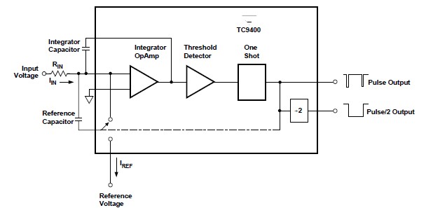
Product Summary
The TC94A73MFG-204 is a low-cost voltage-tofrequency (V/F) converter utilizing low power CMOS technology. The TC94A73MFG-204 can also be used as highly-accurate frequency- to-voltage (F/V) converters, accepting virtually any input frequency waveform and providing a linearly-proportional voltage output. Applications are (1)μP Data Acquisition; (2)13-Bit Analog-to-Digital Converters; (3)Analog Data Transmissioand Recording; (4)Phase-Locked Loops; (5)Frequency Meters/Tachometer; (6)Motor Control; (7)FM Demodulation.
Parametrics
TC94A73MFG-204 absolute maximum ratings: (1)VDD – VSS : +18V; (2)IIN : 10mA; (3)VOUT Max –VOUT Common: 23V; (4)VREF – VSS : – 1.5V; (5)Storage Temperature Range : – 65°C to +150°C; (6)Operating Temperature Range; (7)C Device : 0°C to +70°C; (8)E Device : – 40°C to +85°C; (9)Package Dissipation (TA £ 70°C)8-Pin CerDIP : 800mW, 8-Pin Plastic DIP : 730mW, 8-Pin SOIC : 470mW; (10)Lead Temperature (Soldering, 10 sec): +300°C.
Features
TC94A73MFG-204 features: (1)DC to 100 kHz (F/V)or 1Hz to 100kHz (V/F); (2)Low Power Dissipatio: 27mW Typ; (3)Single/Dual Supply Operatio: + 8V to + 15V or ± 4V to ± 7.5V; (4)GaiTemperature Stability : ± 25 ppm/°C Typ; (5)Programmable Scale Factor; (6)Operatio: DC to 100 kHz; (7)Choice of Guaranteed Linearity; (8)Programmable Scale Factor.
Diagrams

(Hong Kong)






