Product Summary
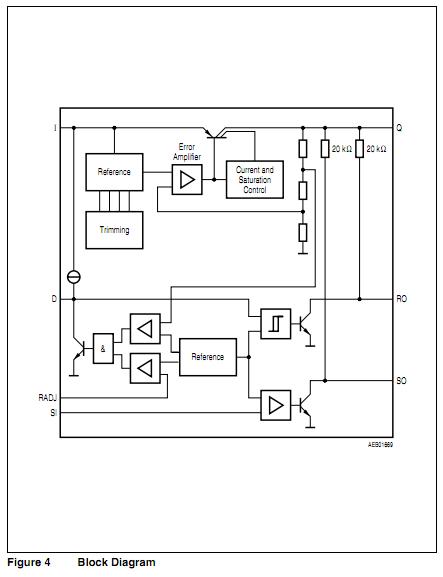
The TLE4269GL is a voltage regulator with a fixed 5-V output, e.g. in a P-DSO-8-1 package. The maximum operating voltage is 45 V. The output is able to drive a 150 mA load. The TLE4269GL is short circuit protected and the thermal shutdown switches the output off if the junction temperature is in excess of 150 ℃.
Parametrics
TLE4269GL absolute maximum ratings: (1)Voltage: -0.3 V min and 7 V max; (2)Current: internal limited; (3)Output voltage: -0.3 V min and 7 V max; (4)Output current: -5 mA min; (5)Junction temperature: 150 ℃ max; (6)Storage temperature: -50 to 150 ℃.
Features
TLE4269GL features: (1)Output voltage tolerance ≤ ±2%; (2)150 mA current capability; (3)Very low current consumption; (4)Early warning; (5)Reset output low down to VQ = 1 V; (6)Overtemperature protection; (7)Reverse polarity proof; (8)Adjustable reset threshold; (9)Very low drop voltage; (10)Wide temperature range; (11)Integrated pull-up resistor at logic outputs; (12)Green Product (RoHS compliant); (13)AEC Qualified.
Diagrams

| Image | Part No | Mfg | Description | ![]() |
Pricing (USD) |
Quantity | ||||||||||||
|---|---|---|---|---|---|---|---|---|---|---|---|---|---|---|---|---|---|---|
![]() |
![]() TLE4269GL |
![]() Infineon Technologies |
![]() Low Dropout (LDO) Regulators LOW DROPOUT REGULATOR |
![]() Data Sheet |
![]()
|
|
||||||||||||
![]() |
![]() TLE4269GLXT |
![]() Infineon Technologies |
![]() Low Dropout (LDO) Regulators 5-V Low Drop Fixed Voltage Regulator |
![]() Data Sheet |
![]()
|
|
||||||||||||
(Hong Kong)










