Product Summary
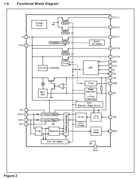
The TLE6262G is a monolithic integrated circuit in a P-DSO-28-6 package, which incorporates a failure tolerant low speed CAN-transceiver for differential mode data transmission, a low dropout voltage regulator for internal and external 5V supply as well as a 16 bit SPI interface to control and monitor the IC. Further there are integrated three high side switches, two low side switches, a window watchdog circuit and a reset circuit. Both, the window watchdog and reset function are referring to a time base that is programmable via an external resistor. The IC TLE6262G is designed to withstand the severe conditions of automotive applications.
Parametrics
TLE6262G absolute maximum ratings: (1)Supply voltage, VS: -0.3 to 28 V; (2)Supply voltage, VS: -0.3 to 40 V; (3)Regulator output voltage, VCC: -0.3 to 5.5 V; (4)CAN input voltage (CANH, CANL), VCANH/L: -10 to 28 V; (5)CAN input voltage (CANH, CANL), VCANH/L: -40 to 40 V; (6)Logic input voltages (DI, CLK, CSN, OSC, PWM, TxD), VI: -0.3 to VCC ; (7)+0.3V; (8)Logic output voltage (DO, RO, RxD), VDO/RO/RD: -0.3 to VCC +0.3V; (9)Termination input voltage (RTH, RTL), VTL /TH: -0.3 to VS +0.3V; (10)Electrostatic discharge voltage at pin CANH, CANL, VESD: -4000 to 4000 V; (11)Electrostatic discharge voltage, VESD: -2000 to 2000 V.
Features
TLE6262G features: (1)Standard fault tolerant differential CAN-transceiver; (2)Bus failure management; (3)Low power mode management; (4)CAN data transmission rate up to 125 kBaud; (5)Low-dropout voltage regulator 5V ± 2%; (6)Two Low Side Switches; (7)Three High Side Switches; (8)Power on and under-voltage reset generator; (9)Vcc supervisor; (10)Window watchdog; (11)Programable time base; (12)Integrated fail-safe mechanism; (13)Standard 16 bit SPI-Interface; (14)Wide input voltage and temperature range; (15)Enhanced power P-DSO-Package.
Diagrams

| Image | Part No | Mfg | Description | ![]() |
Pricing (USD) |
Quantity | ||||||||||
|---|---|---|---|---|---|---|---|---|---|---|---|---|---|---|---|---|
![]() |
![]() TLE6262G |
![]() Other |
![]() |
![]() Data Sheet |
![]() Negotiable |
|
||||||||||
| Image | Part No | Mfg | Description | ![]() |
Pricing (USD) |
Quantity | ||||||||||
![]() |
![]() TLE6208-3G |
![]() Infineon Technologies |
![]() Motor / Motion / Ignition Controllers & Drivers Triple-Half-Bridge |
![]() Data Sheet |
![]()
|
|
||||||||||
![]() |
![]() TLE6208-6G |
![]() Infineon Technologies |
![]() Motor / Motion / Ignition Controllers & Drivers Six-fold Half-Bridge Driver |
![]() Data Sheet |
![]()
|
|
||||||||||
![]() |
![]() TLE6209 |
![]() Other |
![]() |
![]() Data Sheet |
![]() Negotiable |
|
||||||||||
![]() |
![]() TLE6209R |
![]() Infineon Technologies |
![]() Motor / Motion / Ignition Controllers & Drivers 7A H-Bridge 150mA DC-MOTORAPPS |
![]() Data Sheet |
![]() Negotiable |
|
||||||||||
![]() |
![]() TLE6210 |
![]() Other |
![]() |
![]() Data Sheet |
![]() Negotiable |
|
||||||||||
![]() |
![]() TLE6211 |
![]() Other |
![]() |
![]() Data Sheet |
![]() Negotiable |
|
||||||||||
(Hong Kong)










