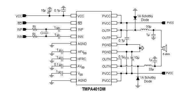
Product Summary
TMPA8700CSF-4NF5 is a bridged-tied (BTL) Class-D audio amplifier for driving speakers with high power efficiency. It can drive 4Ω, 6Ω, 8Ω or 16Ω speakers. The output power can be up to 15W. No external heat-sink is necessary. The gain of the TMPA8700CSF-4NF5 is defined by input resistance. The internally fully differential input structure provides good common mode rejection and power supply rejection. The applications of the TMPA8700CSF-4NF5 are LCD Monitors, TVs, DVD Players and Powered Speakers.
Parametrics
TMPA8700CSF-4NF5 absolute maximum ratings: (1)Supply voltage, PVcc, Vcc: In normal mode:-0.3V to 18V, In shutdown mode:-0.3V to 18V; (2)Input voltage,SD:-0.3V to Vcc+0.3V; (3)Operating free-air temperature, TA:-20℃ to 85℃; (4)Operating junction temperature, TJ:-20℃ to 150℃; (5)Storage temperature, Tstg:-40℃ to 150℃.
Features
TMPA8700CSF-4NF5 features: (1)15-W Class-D Output; (2)Power efficiency is up to 82%; (3)Time delay for de-pop control; (4)Thermal Protection; (5)Output Pin Short-Circuit Protection (Short to Other Outputs, Short to VCC, Short to Ground); (6)Differential / Single-Ended Input; (7)Low Supply Current (5mA Typical at 12V); (8)Low Current in Shutdown Mode (<1μA Typical); (9)Separate VCC & PVCC.
Diagrams

(Hong Kong)






