Product Summary
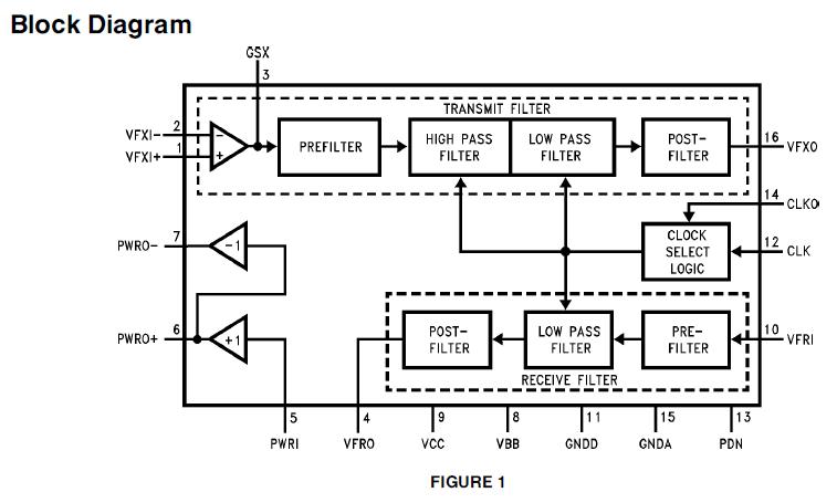
The TP3040J filter is a monolithic circuit containing both transmit and receive filter specifically designed for PCM CODEC filtering applications in 8 kHz sampled systems. The TP3040J is manufactured using microCMOS technology and switched capacitor integrators are used to simulate classical LC ladder filters which exhibit low component sensitivity.
Parametrics
TP3040J absolute maximum ratings: (1)Supply Voltages: ±7V; (2)Power Dissipation: 1 W/Package; (3)Input Voltage: ±7V; (4)Voltage at Any Input or Output: VCC + 0.3V to VBBV - 0.3V; (5)Output Short-Circuit Duration: Continuous; (6)Operating Temperature Range: -25℃ to +125℃; (7)Storage Temperature: -65℃ to +150℃; (8)Lead Temperature (Soldering, 10 seconds): 300℃; (9)ESD Rating to be determined.
Features
TP3040J features: (1)Designed for D3/D4 and CCITT applications; (2)+5V, -5V power supplies; (3)Low power consumption: 45 mW (0 dBm0 into 600Ω), 30 mW (power amps disabled); (4)Power down mode: 0.5 mW; (5)20 dB gain adjust range; (6)No external anti-aliasing components; (7)Sin x/x correction in receive filter; (8)50/60 Hz rejection in transmit filter; (9)TTL and CMOS compatible logic; (10)All inputs protected against static discharge due to handling.
Diagrams

(Hong Kong)






