Product Summary
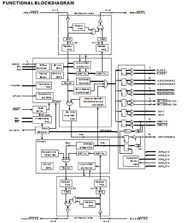
The AMB0480A5RJ fully buffered dual in-line memory module (FB-DIMM) is the next generation memory architecture to meet the growing memory requirement of servers and workstations. The AMB0480A5RJ receives commands and data from the host controller to control and write/read data to/from the DRAMs on the DIMM. The AMB0480A5RJ complies with the latest JEDEC defined FB-DIMM Architecture and Protocol Specification and supports DDR2-533 and DDR2-667 DRAM.
Parametrics
AMB0480A5RJ absolute maximum ratings: (1) Supply voltage DRAM Interface VDD: -0.5 to +2.3V; (2) Voltage on any DDR2 interface pin relative to Vss, VIN (DDR2) , VOUT( DDR2) : 0.5 to +2.3V; (3) Input Clamp Current (VIN < 0 or VIN > VDD) IINK: +30mA; (4) Output Clamp Current (VOUT < 0 or VOUT > VDD) IINK: +30mA; (5) Continous Output Current (VOUT=0 to VDD) : +30mA; (6) Continuous current through each VDD or GND: +100mA; (7) Supply voltage for Core and High Speed Interface VCC: -0.3 to +1.75V; (8) Junction Temperature Tj: +150°C; (9) Storage Temperature Range Tstg: -55 to +100°C.
Features
AMB0480A5RJ features: (1) Advanced Memory Buffer for Fully buffered DIMMs; (2) 3.2 and 4 Gbit/s serial speeds (DDR2-533 and 667 DRAM) ; (3) Support for up to eight DIMMs per channel; (4) Repeater Mode for extending FB-DIMM links; (5) Northbound and Southbound single lane fail over and channel error detection; (6) Voltage and Timing margin high-speed I/O test capability; (7) Fully Supports the FB-DIMM configuration register set; (8) Complies with JEDEC Architecture and Protocol Specification; (9) Available in 655 ball FCBGA package.
Diagrams

| Image | Part No | Mfg | Description | ![]() |
Pricing (USD) |
Quantity | ||||
|---|---|---|---|---|---|---|---|---|---|---|
![]() |
![]() AMB0480A5RJ |
![]() Other |
![]() |
![]() Data Sheet |
![]() Negotiable |
|
||||
![]() |
![]() AMB0480A5RJ8 |
![]() Other |
![]() |
![]() Data Sheet |
![]() Negotiable |
|
||||
(Hong Kong)









