Product Summary
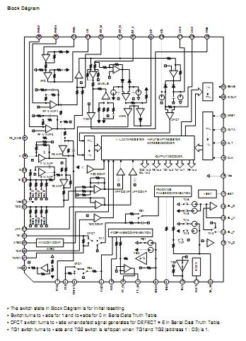
The CXA1782CQ is a bipolar IC with built-in RF signal processing and various servo ICs. A CD player servo can be configured by using the CXA1782CQ DSP and driver. Applications of the CXA1782CQ include: RF I-V amplifier, RF amplifier, Focus and tracking error amplifier, APC circuit, Mirror detection circuit, Defect detection and prevention circuits, Focus servo control, Tracking servo control, Sled servo control and Comparators of tracking adjustment for balance and gain.
Parametrics
CXA1782CQ absolute maximum ratings: (1) Supply voltage Vcc: 12V; (2) Operating temperature Topr: -20 to +75°C; (3) Storage temperature Tstg: -65 to +150°C; (4) Allowable power dissipation: 833mW.
Features
CXA1782CQ features: (1) Low operating voltage (VCC-VEE = 3.0 to 11.0V) ; (2) Low power consumption (39mW, VCC = 3.0V) ; (3) Supports pickup of either current output, voltage output; (4) Automatic adjustment comparator for tracking balance gain; (5) Single power supply and positive/negative dual power supplies.
Diagrams

| Image | Part No | Mfg | Description | ![]() |
Pricing (USD) |
Quantity | ||||||||||||
|---|---|---|---|---|---|---|---|---|---|---|---|---|---|---|---|---|---|---|
![]() |
![]() CXA1782CQ |
![]() Other |
![]() |
![]() Data Sheet |
![]() Negotiable |
|
||||||||||||
| Image | Part No | Mfg | Description | ![]() |
Pricing (USD) |
Quantity | ||||||||||||
![]() |
![]() CXA10 |
![]() Other |
![]() |
![]() Data Sheet |
![]() Negotiable |
|
||||||||||||
![]() |
![]() CXA10-48D05 |
![]() Emerson / Astec Power |
![]() DC/DC Converters 10W 5V 1A |
![]() Data Sheet |
![]() Negotiable |
|
||||||||||||
![]() |
![]() CXA10-48D05J |
![]() Emerson / Astec Power |
![]() DC/DC Converters 10W 5V 1A |
![]() Data Sheet |
![]()
|
|
||||||||||||
![]() |
![]() CXA10-48D12 |
![]() Emerson / Astec Power |
![]() DC/DC Converters 10W 12V 0.41A |
![]() Data Sheet |
![]() Negotiable |
|
||||||||||||
![]() |
![]() CXA10-48D12J |
![]() Emerson / Astec Power |
![]() DC/DC Converters 10W 12V 0.41A |
![]() Data Sheet |
![]()
|
|
||||||||||||
![]() |
![]() CXA10-48D12-SJ |
![]() Emerson / Astec Power |
![]() DC/DC Converters 10W 36-75Vin Dual -/+12V -/+0.4A |
![]() Data Sheet |
![]()
|
|
||||||||||||
(Hong Kong)










