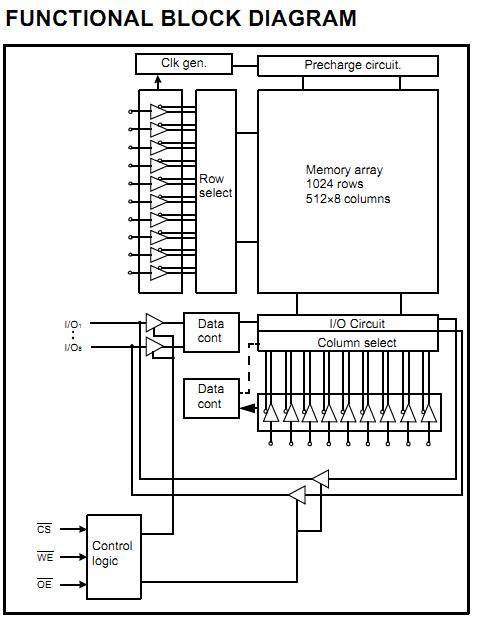
Product Summary
The K6T4008C1C-VB70 is a 512Kx8 bit Low Power CMOS Static RAM. The device is fabricated by advanced CMOS process technology. The K6T4008C1C-VB70 supports various operating temperature ranges and various package types for user flexibility of system design. The K6T4008C1C-VB70 also supports low data retention voltage for battery back-up operation with low data retention current.
Parametrics
K6T4008C1C-VB70 absolute maximum ratings: (1)Voltage on any pin relative to Vss, VIN,VOUT: -0.5 to 7.0V; (2)Voltage on Vcc supply relative to Vss, VCC: -0.5 to 7.0V; (3)Power Dissipation, PD: 1.0W; (4)Storage temperature, TSTG: -65 to 150℃; (5)Operating Temperature, TA: 0 to 70℃.
Features
K6T4008C1C-VB70 features: (1)Process Technology: TFT; (2)Organization: 512Kx8; (3)Power Supply Voltage: 4.5~5.5V ; (4)Low Data Retention Voltage: 2V(Min); (5)Three state output and TTL Compatible; (6)Package Type: 32-DIP-600, 32-SOP-525,32-TSOP2-400F/R.
Diagrams

![]() |
![]() K6T4008C1B |
![]() Other |
![]() |
![]() Data Sheet |
![]() Negotiable |
|
||||
![]() |
![]() K6T4008U1C-B |
![]() Other |
![]() |
![]() Data Sheet |
![]() Negotiable |
|
||||
![]() |
![]() K6T4008U1C-F |
![]() Other |
![]() |
![]() Data Sheet |
![]() Negotiable |
|
||||
![]() |
![]() K6T4008V1C-B |
![]() Other |
![]() |
![]() Data Sheet |
![]() Negotiable |
|
||||
![]() |
![]() K6T4008V1C-F |
![]() Other |
![]() |
![]() Data Sheet |
![]() Negotiable |
|
||||
![]() |
![]() K6T4016U3C |
![]() Other |
![]() |
![]() Data Sheet |
![]() Negotiable |
|
||||
(Hong Kong)








