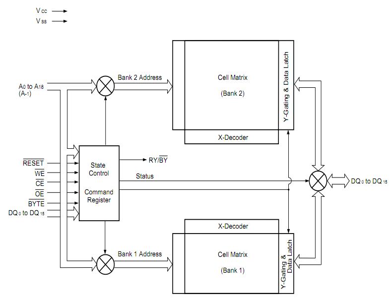
Product Summary
The MBM29DL800TA-90PBT-ER is an 8M-bit, 3.0 V-only Flash memory organized as 1 M bytes of 8 bits each or 512 K words of 16 bits each. The MBM29DL800TA-90PBT-ER is offered in a 48-pin TSOP and 48-ball FBGA packages. These devices are designed to be programmed in-system with the standard system 3.0 V VCC supply. 12.0 V VPP and 5.0 V VCC are not required for write or erase operations. The device can also be reprogrammed in standard EPROM programmers.
Parametrics
MBM29DL800TA-90PBT-ER absolute maximum ratings: (1)Storage Temperature Tstg: -55 to +125℃; (2)Ambient Temperature with Power Applied TA: -40 to +85℃; (3)Voltage with respect to Ground All pins except A9, OE, RESE, VIN, VOUT: -0.5 to VCC+0.5 V; (4)A9, OE, and RESET, VIN: -0.5 to +13.0 V; (5)Power Supply Voltage, VCC: -0.5 to +5.5 V.
Features
MBM29DL800TA-90PBT-ER features: (1)Single 3.0 V read, program, and erase Minimizes system level power requirements; (2)Simultaneous operations Read-while-Erase or Read-while-Program; (3)Compatible with JEDEC-standard commands Uses same software commands as E2PROMs; (4)Compatible with JEDEC-standard worldwide pinouts (Pin compatible with MBM29LV800TA/BA) 48-pin TSOP(1) (Package suffix: PFTN – Normal Bend Type, PFTR – Reversed Bend Type) 48-ball FBGA (Package suffix: PBT); (5)Minimum 100,000 program/erase cycles; (6)High performance, 70 ns maximum access time; (7)Sector erase architecture, Two 16 K byte, four 8 K bytes, two 32 K byte, and fourteen 64 K bytes. Any combination of sectors can be concurrently erased. Also supports full chip erase.
Diagrams

(Hong Kong)






