Product Summary
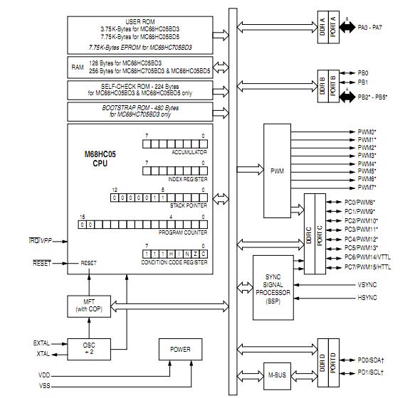
The MC68HC705BD32B is a HCMOS microcontroller. This 8-bit microcontroller unit (MCU) contains an on-chip oscillator, CPU, RAM, ROM, parallel I/O capability with pins programmable as input or output, M-Bus serial interface system (I2C), Pulse Width Modulator, Multi-Function Timer, and Sync Signal Processor. These features make the MC68HC705BD32B particularly suitable as a multi-sync computer monitor MCU.
Parametrics
MC68HC705BD32B absolute maximum ratings: (1)Supply Voltage, VDD: -0.3 to +7.0 V; (2)Input Voltage, Vin: VSS–0.3 to VDD+0.3 V; (3)IRQ, Vin: VSS–0.3 to 2xVDD+0.3 V; (4)Current Drain per pin excluding VDD and VSS, ID: 25 mA; (5)Operating Temperature, TA: 0 to 70℃; (6)Storage Temperature Range, Tstg: -65 to +150℃.
Features
MC68HC705BD32B features: (1)Fully static chip design featuring the industry standard 8-bit M68HC05 core; (2)Power saving Wait mode; (3)128 bytes of on-chip RAM for MC68HC05BD3, 256 bytes for MC68HC705BD3 and MC68HC05BD5; (4)3.75K-bytes of user ROM for MC68HC05BD3; 7.75K-bytes of user ROM for MC68HC05BD5; 7.75K-bytes of user EPROM for MC68HC705BD3; (5)24 bidirectional I/O lines: 14 dedicated and 10 multiplexed I/O lines 4 of the 14 dedicated I/O lines and 6 of the MUXed I/O lines have +10V open-drain O/Ps; (6)16 channels PWM outputs: 8 dedicated, +10V open-drain PWM channels and 8 multiplexed with I/O lines of which 6 of them have +10V open-drain outputs.; (7)M-Bus Serial Interface (I2C-bus); (8)Multi-Function Timer (MFT) with Periodic Interrupt; (9)COP watchdog reset.
Diagrams

(Hong Kong)






