Product Summary
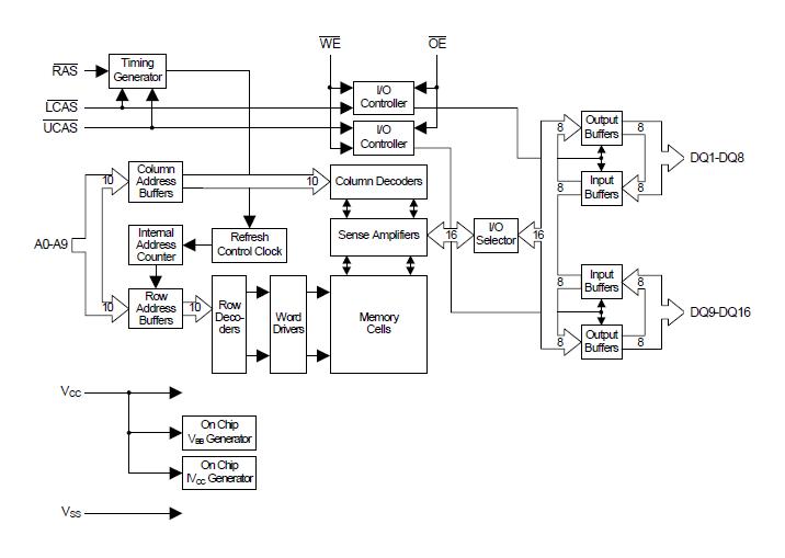
The MSM51V18165F-60TSKR1 is a 1,048,576-word × 16-bit dynamic RAM fabricated in Oki’s silicon-gate CMOS technology. The MSM51V18165F-60TSKR1 achieves high integration, high-speed operation, and low-power consumption because Oki manufactures the device in a quadruple-layer polysilicon/double-layer metal CMOS process. The MSM51V18165F-60TSKR1 is available in a 42-pin plastic SOJ or 50/44-pin plastic TSOP.
Parametrics
MSM51V18165F-60TSKR1 absolute maximum ratings: (1)Voltage on Any Pin Relative to VSS, VIN, VOUT: -0.5 to VCC + 0.3 V; (2)Voltage VCC Supply relative to VSS, VCC: -0.5 to 4.6 V; (3)Short Circuit Output Current, IOS: 50 mA; (4)Power Dissipation, PD: 1 W; (5)Operating Temperature, Topr: 0 to 70℃; (6)Storage Temperature, Tstg: -55 to 150℃.
Features
MSM51V18165F-60TSKR1 features: (1)1,048,576-word × 16-bit configuration; (2)Single 3.3V power supply, ±0.3V tolerance; (3)Input: LVTTL compatible, low input capacitance; (4)Output: LVTTL compatible, 3-state; (5)Refresh: 1024 cycles/16ms; (6)Fast page mode with EDO, read modify write capability; (7)CAS before RAS refresh, hidden refresh, RAS-only refresh capability; (8)CAS before RAS self-refresh capability.
Diagrams

 (Hong Kong) 
                         
                        
                                    




