Product Summary
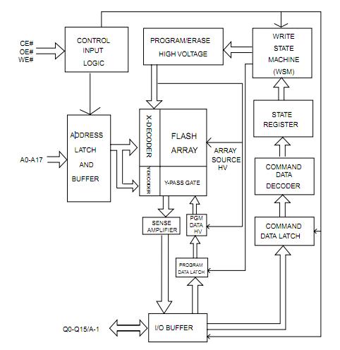
The MX29F400CTTI-70G is a 4-mega bit Flash memory organized as 512K bytes of 8 bits or 256K words of 16 bits. MXIC’s Flash memories offer the most cost-effective and reliable read/write non-volatile random access memory. The MX29F400CTTI-70G is packaged in 44-pin SOP, 48-pin TSOP. It is designed to be reprogrammed and erased in system or in standard EPROM programmers. The standard MX29F400CTTI-70G offers access time as fast as 55ns, allowing operation of high-speed microprocessors without wait states.
Parametrics
MX29F400CTTI-70G absolute maximum ratings: (1)Ambient Operating Temperature: -40℃ to 85℃; (2)Ambient Temperature with Power: -55℃ to 125℃ Applied; (3)Storage Temperature: -65℃ to 125℃; (4)Applied Input Voltage: -0.5V to 7.0V; (5)Applied Output Voltage: -0.5V to 7.0V; (6)VCC to Ground Potential: -0.5V to 7.0V; A9: -0.5V to 13.5V.
Features
MX29F400CTTI-70G features: (1)524,288 x 8/262,144 x 16 switchable; (2)Single power supply operationm, 5.0V only operation for read, erase and program operation; (3)Fast access time: 55/70/90ns; (4)Compatible with MX29F400T/B device; (5)Low power consumption, 40mA maximum active current(5MHz); 1uA typical standby current; (6)Command register architecture, Byte/word Programming (9us/11us typical); Sector Erase (Sector structure 16K-Bytex1, 8K-Bytex2, 32K-Bytex1, and 64K-Byte x7); (7)Auto Erase (chip & sector) and Auto Program, Automatically erase any combination of sectors with Erase Suspend capability; Automatically program and verify data at specified; (8)address; (9)Erase suspend/Erase Resume, Suspends an erase operation to read data from, or program data to, another sector that is not being; (10)erased, then resumes the erase; (11)Status Reply, Data# Polling & Toggle bit for detection of program and erase cycle completion.
Diagrams

| Image | Part No | Mfg | Description | ![]() |
Pricing (USD) |
Quantity | ||||||||||||||||||||||
|---|---|---|---|---|---|---|---|---|---|---|---|---|---|---|---|---|---|---|---|---|---|---|---|---|---|---|---|---|
![]() |
![]() MX29F400CTTI-70G |
![]() |
![]() IC FLASH PAR 5V 4MB 70NS 48TSOP |
![]() Data Sheet |
![]()
|
|
||||||||||||||||||||||
| Image | Part No | Mfg | Description | ![]() |
Pricing (USD) |
Quantity | ||||||||||||||||||||||
![]() |
![]() MX29F001B |
![]() Other |
![]() |
![]() Data Sheet |
![]() Negotiable |
|
||||||||||||||||||||||
![]() |
![]() MX29F001T |
![]() Other |
![]() |
![]() Data Sheet |
![]() Negotiable |
|
||||||||||||||||||||||
![]() |
![]() MX29F001T/B |
![]() Other |
![]() |
![]() Data Sheet |
![]() Negotiable |
|
||||||||||||||||||||||
![]() |
![]() MX29F002 |
![]() Other |
![]() |
![]() Data Sheet |
![]() Negotiable |
|
||||||||||||||||||||||
![]() |
![]() MX29F002N |
![]() Other |
![]() |
![]() Data Sheet |
![]() Negotiable |
|
||||||||||||||||||||||
![]() |
![]() MX29F002TTI-12 |
![]() Other |
![]() |
![]() Data Sheet |
![]() Negotiable |
|
||||||||||||||||||||||
(Hong Kong)










