Product Summary
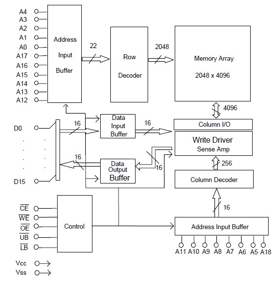
BS616LV8017EIG55 is a very low power/voltage CMOS SRAM 512K X 16 bit. The BS616LV8017EIG55 is a high performance, very low power CMOS Static Random Access Memory organized as 524,288 words by 16 bits and operates from a wide range of 2.4V to 5.5V supply voltage. Advanced CMOS technology and circuit techniques provide both high speed and low power of the BS616LV8017EIG55 features with a typical CMOS standby current of 1.5uA at 3V/25℃ and maximum access time of 55ns at 3.0V/85℃. Easy memory expansion is provided by an active LOW chip enable (CE) ,active LOW output enable(OE) and three-state output drivers. The BS616LV8017EIG55 has an automatic power down feature, reducing the power consumption significantly when chip is deselected. The BS616LV8017EIG55 is available in 48B BGA and 44L TSOP2 packages.
Parametrics
BS616LV8017EIG55 absolute maximum ratings: (1)VTERM Terminal Voltage with Respect to GND: -0.5 to Vcc+0.5 V; (2)TBIAS Temperature Under Bias: -40 to +85 ℃; (3)TSTG Storage Temperature: -60 to +150 ℃; (4)PT Power Dissipation: 1.0 W; (5)IOUT DC Output Current: 20 mA.
Features
BS616LV8017EIG55 features: (1)Fully static operation; (2)Data retention supply voltage as low as 1.5V; (3)Easy expansion with CE and OE options; (4)I/O Configuration x8/x16 selectable by LB and UB pin; (5)Automatic power down when chip is deselected; (6)Three state outputs and TTL compatible; (7)Wide Vcc operation voltage : 2.4~5.5V; (8)Very low power consumption; (9)High speed access time.
Diagrams

|  |  BS61 |  Hammond Manufacturing |  Battery Holders, Snaps & Contacts 1599 Battery Kit |  Data Sheet |  
 |  | ||||||||||||
|  |  BS616LV1010 |  Other |  |  Data Sheet |  Negotiable |  | ||||||||||||
|  |  BS616LV1010DC-70 |  Other |  |  Data Sheet |  Negotiable |  | ||||||||||||
|  |  BS616LV1011 |  Other |  |  Data Sheet |  Negotiable |  | ||||||||||||
|  |  BS616LV1012 |  Other |  |  Data Sheet |  Negotiable |  | ||||||||||||
|  |  BS616LV1013 |  Other |  |  Data Sheet |  Negotiable |  | ||||||||||||
 (Hong Kong)
 (Hong Kong) 
                         
                        
 
                                    




