Product Summary
The P87C51RB+5B is a high speed 8-bit microcontroller.
Parametrics
P87C51RB+5B absolute maximum ratings: (1)Operating temperature under bias: 0 to +70 or -40 to +85℃; (2)Storage temperature range: -65 to +150℃; (3)Voltage on EA/VPP pin to VSS: 0 to +13.0 V; (4)Voltage on any other pin to VSS: -0.5 to +6.5 V; (5)Maximum IOL per I/O pin: 15 mA; (6)Power dissipation (based on package heat transfer limitations, not device power consumption): 1.5 W.
Features
P87C51RB+5B features: (1)80C51 Central Processing Unit; (2)Speed up to 33 MHz; (3)Full static operation; (4)Operating voltage range: 2.7 V to 5.5 V @ 16 MHz; (5)Security bits: ROM-2 bits; OTP-EPROM-3 bits; (6)Encryption array -64 bytes; (7)RAM expandable to 64K bytes; (8)4 level priority interrupt; (9)6 or7 interrupt sources, depending on device; (10)Four 8-bit I/O ports; (11)Full-duplex enhanced UART, Framing error detection; Automatic address recognition; (12)Power control modes, Clock can be stopped and resumed; Idle mode; Power down mode; (13)Programmable clock out; (14)Second DPTR register; (15)Asynchronous port reset; (16)Low EMI (inhibit ALE).
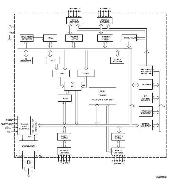
Diagrams

(Hong Kong)






