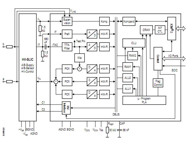
Product Summary
The PEB3065N V3.2 is a Signal Processing Subscriber Line Interface Codec Filter SLICOFI (PEB 3065/PEF 3065). The PEB3065N V3.2 is a logic continuation of the well established family of the SIEMENS PCM-Codec-Filter-IC’s with the vertical integration of all DC-feeding, Supervision and Meterpulse Injection features on chip as well. Fabricated in a standard 1μm BiCMOS technology the SLICOFI is tailored for very flexible solutions in digital communication systems.
Parametrics
PEB3065N V3.2 absolute maximum ratings: (1)VDDA referred to GNDA: -0.3 to 7V; (2)VDDD referred to GNDD: -0.3 to 7V; (3)VSS referred to GNDA: -5.5 to 0.3V; (4)GNDA with respect to GNDD: -0.3 to 0.3V; (5)VDDA with respect toVDDD: -0.3 to 0.3V; (6)VLINE1,2 referred to GND: -75 to 75V; (7)DC input and output current at any input or output pin (free from latch -up): 100mA; (8)Storage temperature, Tstg: -65 to 125℃; (9)Ambient temperature under bias, Ta: -10 to 80℃; (10)Power dissipation, PD: 1W.
Features
PEB3065N V3.2 features: (1)Single chip CODEC and FILTER including all LOW VOLTAGE SLIC functions; (2)Only few external components required; (3)No trimming or adjustments required; (4)Specification according to relevant CCITT, LSSGR and DBP recommendations; (5)Digital signal processing technique; (6)Advanced low power 1 μm BiCMOS1) technology; (7)PCM encoded digital voice transmission (A-Law or μ-Law); (8)Four pin serial IOM-2 Interface; (9)Standard P-LCC-44 package; (10)High performance AD and DA Conversion; (11)Programmable digital filters for Impedance matching; Transhybrid balancing; Frequency response; Gain; (12)Advanced test capabilities, Integrated line and circuit tests; Two programmable tone generators.
Diagrams

(Hong Kong)






