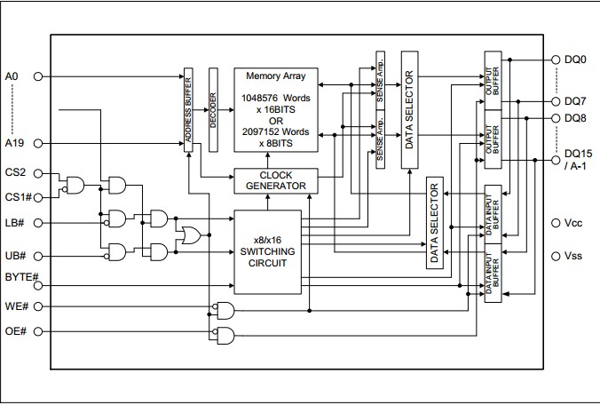
Product Summary
The R1LV1616RSA-5SI is a low voltage 16-Mbit static RAM organized as 1048576-words by 16-bit, fabricated by high-performance 0.15um CMOS and TFT technologies. The R1LV1616RSA-5SI is suitable for memory applications where a simple interfacing , battery operating and battery backup are the important design objectives.
Parametrics
R1LV1616RSA-5SI absolute maximum ratings: (1)Power supply voltage relative to Vss: -0.5 to +4.6 V; (2)Terminal voltage on any pin relation toVss: -0.5*1 to Vcc+0.3*2 V; (3)Power dissipation: 0.7 W; (4)Operation temperature: 0 to +70°C; (5)Storage temperature: -65 to +150°C; (6)Storage temperature range under bias: -40 to +85°C.
Features
R1LV1616RSA-5SI features: (1)Single 2.7-3.6V power supply; (2)Small stand-by current:2μA (3.0V, typ.); (3)Data retention supply voltage =2.0V; (4)No clocks, No refresh; (5)All inputs and outputs are TTL compatible; (6)Easy memory expansion by CS1#, CS2, LB# and UB#; (7)Common Data I/O; (8)Three-state outputs: OR-tie capability; (9)OE# prevents data contention on the I/O bus; (10)Process technology: 0.15um CMOS.
Diagrams

(Hong Kong)






