Product Summary
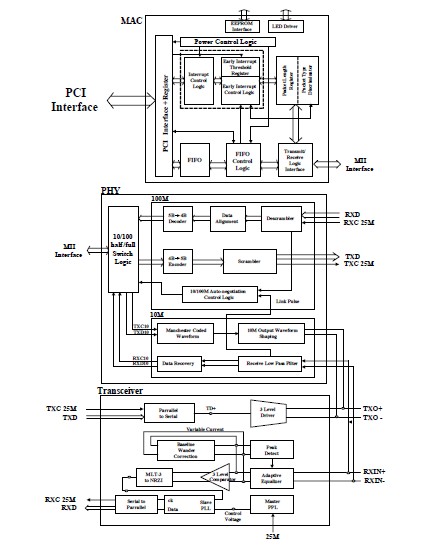
The RTL8100BL is a highly integrated, cost-effective single-chip Fast Ethernet controller that provides 32-bit performance, PCI bus master capability, and full compliance with IEEE 802.3u 100Base-T specifications and IEEE 802.3x Full Duplex Flow Control. The RTL8100BL also supports the Advanced Configuration Power management Interface (ACPI), PCI power management for modern operating systems that are capable of Operating System Directed Power Management (OSPM) to achieve the most efficient power management possible. The RTL8100B(L) does not support CardBus mode as the RTL8139C does.
Parametrics
RTL8100BL absolute maximum ratings: (1)Storage temperature: -55 to +125 °C; (2)Operating temperature: 0 to 70 °C; (3)IIN Input Current VIN=VCC or GND: -1.0 to 1.0 uA; (4)IOZ Tri-State Output Leakage Current VOUT=VCC or GND: -10 to 10 uA; (5)ICC Average Operating Supply Current IOUT=0mA,: 330 mA.
Features
RTL8100BL features: (1)Integrated Fast Ethernet MAC, Physical chip, and transceiver in one chip; (2)10Mbps and 100Mbps operation; (3)Supports 10Mbps and 100Mbps NWay auto-negotiation; (4)PCI local bus single-chip Fast Ethernet controller; (5)Supports 4 Wake-On-LAN (WOL)signals (active high, active low, positive pulse, and negative pulse); (6)Supports auxiliary power-on internal reset, to be ready for remote wake-up when main power remains off; (7)Supports auxiliary power auto-detect, and sets the related capability of power management registers in PCI configuration space; (8)Includes programmable PCI burst size and early Tx/Rx threshold; (9)Supports a 32-bit general-purpose timer, with the external PCI clock as clock source, for generating timer-interrupts; (10)Contains two (2Kbyte)independent receive and transmit FIFOs.
Diagrams

(Hong Kong)






