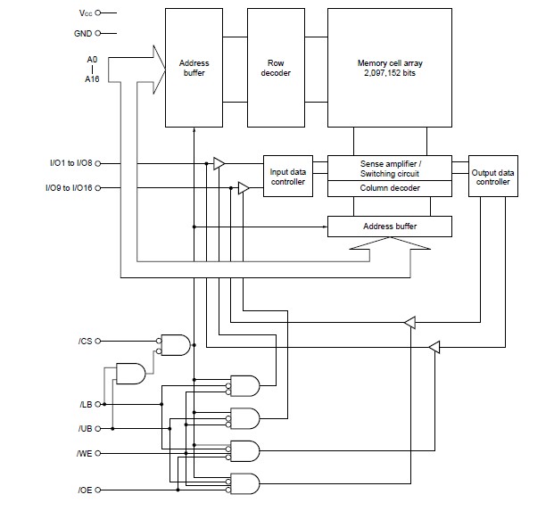
Product Summary
The UPD442002F9-BB70X-BC1-E2 is a high speed, low power, 2,097,152 bits (131,072 words by 16 bits) CMOS static RAM. The UPD442002F9-BB70X-BC1-E2 is packed in 48-pin TAPE FBGA.
Parametrics
UPD442002F9-BB70X-BC1-E2 absolute maximum ratings: (1)Supply voltage VCC: –0.5 to +4.0V; (2)Input / Output voltage VT: –0.5 to VCC+0.4 (4.0 V MAX.)V; (3)Operating ambient temperature TA: –25 to +85°C; (4)Storage temperature Tstg: –55 to +125°C; (5)Input capacitance CIN VIN = 0 V: 8 pF; (6)Input / Output capacitance CI/O VI/O = 0 V: 10 pF.
Features
UPD442002F9-BB70X-BC1-E2 features: (1)131,072 words by 16 bits organization; (2)Fast access time : 70, 85, 100 ns (MAX.); (3)Byte data control : /LB (I/O1 to I/O8), /UB (I/O9 to I/O16); (4)Low voltage operation : VCC = 2.7 to 3.6 V (-BB70X), VCC = 2.2 to 3.6 V (-BC70X), VCC = 1.8 to 2.2 V (-DD85X, -DD10X); (5)Low VCC data retention : 1.0 V (MIN.); (6)Operating ambient temperature : TA = –25 to +85 °C; (7)Output Enable input for easy application.
Diagrams

(Hong Kong)






