Product Summary
The MT46H16M32LFCM-6 IT:B is a mobile double data rate (DDR) SDRAM.
Parametrics
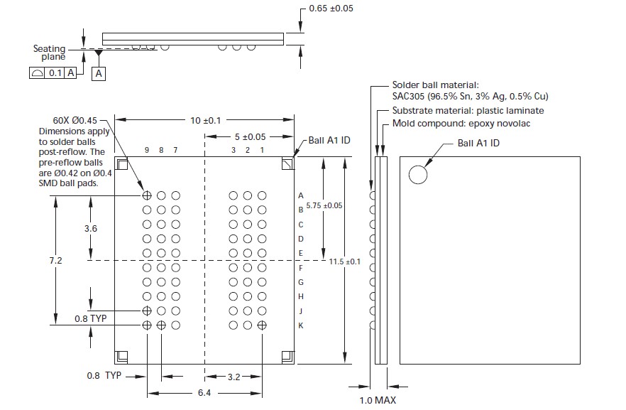
MT46H16M32LFCM-6 IT:B absolute maximum ratings: (1)Vendor: Micron Technology Inc (VA); (2)Category: Integrated Circuits (ICs); (3)Memory Type: Mobile DDR SDRAM; (4)Memory Size: 512M (16M x 32); (5)Speed: 166MHz; (6)Interface: Parallel; (7)Package / Case: 90-VFBGA; (8)Packaging Cut: Tape (CT); (9)Voltage Supply: 1.7 V ~ 1.95 V; (10)Operating Temperature: -40℃ ~ 85℃; (11)Format Memory: RAM; (12)Lead Free Status: Lead Free.
Features
MT46H16M32LFCM-6 IT:B features: (1)VDD = +1.8V .1V, VDDQ = +1.8V .1V; (2)Bidirectional data strobe per byte of data (DQS); (3)Internal, pipelined double data rate (DDR) architecture; two data accesses per clock cycle; (4)Differential clock inputs (CK and CK#); (5)Commands entered on each positive CK edge; (6)DQS edge-aligned with data for READs; centeraligned with data for WRITEs; (7)Four internal banks for concurrent operation; (8)Data masks (DM) for masking write data one mask per byte; (9)Programmable burst lengths: 2, 4, 8, 16 or full page; (10)Concurrent auto precharge option is supported; (11)Auto refresh and self refresh modes; (12)1.8V LVCMOS compatible inputs; (13)On-chip temperature sensor to control refresh rate; (14)Partial array self refresh (PASR); (15)Deep power-down (DPD); (16)Selectable output drive (DS); (17)Clock stop capability.
Diagrams

| Image | Part No | Mfg | Description | ![]() |
Pricing (USD) |
Quantity | ||||||
|---|---|---|---|---|---|---|---|---|---|---|---|---|
![]() |
![]() MT46H16M32LFCM-6 IT:B TR |
![]() |
![]() IC DDR SDRAM 512MBIT 90VFBGA |
![]() Data Sheet |
![]() Negotiable |
|
||||||
| Image | Part No | Mfg | Description | ![]() |
Pricing (USD) |
Quantity | ||||||
![]() |
![]() MT46H128M16LFCK-5 IT:A |
![]() |
![]() IC DDR SDRAM 2GB 200MHZ 60VFBGA |
![]() Data Sheet |
![]()
|
|
||||||
![]() |
![]() MT46H128M16LFCK-6 IT:A |
![]() |
![]() IC DDR SDRAM 2GB 200MHZ 60VFBGA |
![]() Data Sheet |
![]()
|
|
||||||
![]() |
![]() MT46H128M32L2KQ-5 IT:A |
![]() |
![]() MOBILE LPDDR 1.8V 200MHZ 5NS |
![]() Data Sheet |
![]()
|
|
||||||
![]() |
![]() MT46H128M32L2MC-5 IT:A |
![]() |
![]() IC DDR SDRAM 2GB 200MHZ 240WFBGA |
![]() Data Sheet |
![]()
|
|
||||||
![]() |
![]() MT46H128M32L2MC-6 IT:A |
![]() |
![]() IC DDR SDRAM 2GB 200MHZ 240WFBGA |
![]() Data Sheet |
![]()
|
|
||||||
![]() |
![]() MT46H16M16LF 4 |
![]() Other |
![]() |
![]() Data Sheet |
![]() Negotiable |
|
||||||
(Hong Kong)










